[Machine Fitting Type] Circular Power Cutter
(4 types - MR20M, MP25AM, MR30AM, MP35AM)


MR20M
MR20M(Blades sold separately)
  • Use this cutter when a power cutter is being fitted into a machine.


Model No. Air
pressure
(MPa)
Power
approx
(N)
Weight
(g)
MR20M 0.5-0.6 1372 270
MP25AM 0.4-0.5 1960 480
MR30AM 0.5-0.6 2744 480
MP35AM 0.5-0.6 4410 790
MP35AM

MP35AM(Blades sold separately)

Its standard blades can commonly be used with the MR-type power cutters.
Its cutting power is the same as for MR and MP types.
Refer to MR and MP types for specification.
*MP type is a boosted-up version of the MR-type.
Refer to the page of "Standard Blades" for the shapes of standard blades.

Applicable body
MR20M = MR20
MP25AM = MP25A
MR30AM = MR30A
MP35AM = MP35A

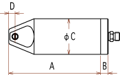
Model No. Size(mm)
A B C D E F G H
MR20M 109 12 45 9 12 23 22 -
MP25AM 109 12 45 9 12 23 22 87
MR30AM 145 12 56 10 17 30 30 -
MP35AM 145 12 56 10 17 30 30 92